25 kVA Transformator İşıq Dirəyi-13,8/0,24 kV|Qayana 2025
Gücü: 25kVA
Gərginlik: 13.8kV-240/120V

01 Ümumi
1.1 Layihə haqqında məlumat
2025-ci ildə Qayanadakı uzunmüddətli müştərimiz -50 kVA və 100 kVA modellərlə yanaşı, 50 ədəd 25 kVA-birfazalı dirəyə quraşdırılmış transformatorlar- da daxil olmaqla daha bir toplu sifariş verdi. Bu təkrar alış onların məhsullarımızın keyfiyyətinə və performansına olan davamlı inamını əks etdirir. Kəndlərin elektrikləşdirilməsinə, yaşayış evlərinin təkmilləşdirilməsinə və mərkəzləşdirilməmiş enerji təchizatına artan tələbatla bu 25 kVA transformatorlar sabitliyin, etibarlılığın və səmərəliliyin vacib olduğu-aşağı yüklü ərazilər üçün xüsusilə uyğundur.
Bu transformatorlar IEEE və ANSI C57.12.00 standartlarına uyğundur, 13,8 kV əsas gərginliyə və 120/240 V ikili ikincili çıxışa malikdir, mis sarımlar, 2% empedans və ±2×2,5% yüksüz kran dəyişdiricisi ilə qurulur. ONAN-ın soyutma üsulu ilə onlar 60 Hz-də etibarlı əməliyyat təklif edir, -98 Vt yük itkisi və 289 Vt yük itkisi ilə-uzaq bölgələrdə yerüstü paylama sistemləri üçün enerji səmərəli həll edir. Onlar həmçinin, yığcam ölçü və etibarlı performansın vacib olduğu ictimai işıqlandırma sistemlərində, dayanacaqlarda və ya küçə səviyyəli paylayıcı şəbəkələrdə işıq dirəyi transformatorları kimi də fəaliyyət göstərə bilər.
Transformator istehsalında onillik təcrübəmizlə biz müxtəlif tətbiq ehtiyaclarını ödəmək üçün yüksək fərdiləşdirilmiş həllər təklif edərək, bir{0}}qütblü{1}}birfazalı transformatorların dizaynı və istehsalında ixtisaslaşmışıq. Məhsullarımız beynəlxalq standartlara ciddi riayət, möhkəm keyfiyyətə nəzarət və həssas xidmətlə dəstəklənən Şimali və Cənubi Amerikada geniş istifadə olunur.
1.2 Texniki spesifikasiya
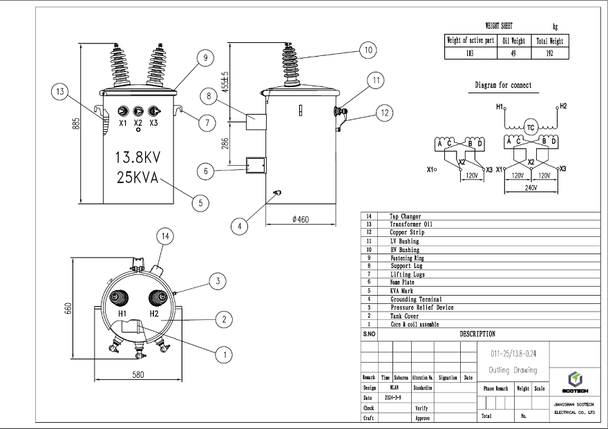
25kVA tək fazalı dirəyə quraşdırılmış transformatorun spesifikasiyası və məlumat vərəqi
|
-a çatdırılır
Qayana
|
|
il
2025
|
|
Növ
Bir fazalı dirəyə quraşdırılmış transformator
|
|
Standart
IEEE & ANSI C57.12.00
|
|
Nominal güc
25 kVA
|
|
Tezlik
60 Hz
|
|
Polarite
Subtractive
|
|
Vektor qrupu
II0
|
|
İlkin Gərginlik
13800 V
|
|
İkincil gərginlik
120/240 V
|
|
Sarma materialı
MIS
|
|
Empedans
2%
|
|
Soyutma üsulu
ONAN
|
|
Dəyişdiriciyə toxunun
NLTC
|
|
Tapma diapazonu
±2X2,5%(Ümumi diapazon=10%)
|
|
Yük itkisi yoxdur
98 W
|
|
Yük itkisi haqqında
289 W
|
|
Aksesuarlar
Standart Konfiqurasiya
|
1.3 Rəsmlər
25kVA tək fazalı dirəyə quraşdırılmış transformator ölçüləri və çəkisi detalları

02 İstehsalat
2.1 Əsas
Enerji səmərəliliyini və əməliyyat etibarlılığını artırmaq üçün bu seriya aşağı itki, aşağı səs-küy və davamlılığı ilə tanınan enerjiyə qənaət edən-yara nüvələrini qəbul edir. Əsas səth xarici mühitlərdə sabit işləməyi təmin edərək,-nəm və korroziyaya qarşı qorunma üçün örtülmüşdür.

2.2 Sarma

İki HV koluna və üç LV koluna malik olan bu transformator yüksək gərginlikli sarğı üçün mis folqadan və aşağı gərginlikli tərəf üçün-mis keçirici naqildən istifadə edir. Bütün rulonlar rütubətli açıq şəraitdə dielektrik gücü və sabit performans təmin etmək üçün vakuum qurutma və izolyasiya müalicəsindən keçir.
2.3 Tank
Tank yüksək keyfiyyətli yumşaq poladdan hazırlanmışdır və yüksək korroziyaya davamlılıq üçün epoksi boya ilə örtülmüşdür. O, yağ sızmasının və nəmin daxil olmasının qarşısını almaq üçün mükəmməl sızdırmazlığı təmin edən, hermetiklik testlərindən keçən möhürlənmiş dizayna malikdir. Hündürlüyü 885 mm, eni 660 mm və uzunluğu 580 mm ölçüləri ilə transformatorun sabit işləməsini və səmərəli istilik yayılmasını təmin etmək üçün ONAN soyutmasını dəstəkləyir.


Quraşdırma zamanı yüksək gərginlikli kollar yuxarıya quraşdırılır və 125 kV-lik ildırım impulsuna tab gətirmə gərginliyi ilə 18 kV-da qiymətləndirilən gözlü bolt tiplərindən istifadə edilir və əla sürüşmə məsafəsi və elektrik izolyasiyası təmin edilir. Aşağı gərginlikli kollar-yan tərəfə quraşdırılıb, 250 A gücündədir. Yüksək temperatur və ya qeyri-normal daxili təzyiq şəraitində təhlükəsiz işləməyi təmin edən 0,03 ± 0,01 MPa buraxma diapazonuna malik təzyiq relyef klapan da quraşdırılmışdır.
03 Qütb transformator hissələri






04 Test
| Test Standartı |
| • IEEE C57.12.20-2017 |
| 500 kVA və daha kiçik -Növ Paylayıcı Transformatorlar üçün IEEE Standartı; Yüksək Gərginlik, 34500 V və Aşağı; Aşağı Gərginlik, 7970/13 800YV və Aşağı |
| • IEEE C57.12.90-2021 |
| Maye -Batırılmış Paylanma, Güc və Tənzimləyici Transformatorlar üçün IEEE Standart Test Kodu |
| • CSA C802.1-13 (R2022) |
| Maye{0}}Doldurulmuş Paylayıcı Transformatorlar üçün Minimum Səmərəlilik Dəyərləri |
50 Vahid Dəstədən Bir Qütblü Transformatorun Sınaq Nəticələri
|
yox. |
Test elementi |
|
1 |
Müqavimət Ölçmələri |
|
2 |
Nisbət Testləri |
|
3 |
Polarite testləri |
| 4 | -Yük itkisi və həyəcan cərəyanı yoxdur |
| 5 | Yük itkiləri, empedans gərginliyi, ümumi itkilər və səmərəlilik |
| 6 | Tətbiqi Gərginlik Testi |
| 7 | İnduksiya edilmiş gərginliyə dözümlülük testi |
| 8 | İzolyasiya müqavimətinin ölçülməsi |
| 9 | Sızma Testi |
| 10 | Yağ Dielektrik Testi |


05 Qablaşdırma və Göndərmə


06 Sayt və Xülasə
Bu 25 kVA-birfazalı dirək-quraşdırılmış transformator, məhsulumuzun davamlı performansını və bazar etibarını vurğulayaraq, Qayanadakı uzun müddətli-müştərinin təkrar sifarişinin bir hissəsidir. Xüsusi olaraq mərkəzləşdirilməmiş və kənd yerlərində enerji paylanması üçün nəzərdə tutulmuşdur, o, yaşayış təchizatı, kənd təsərrüfatı zonaları, işıq dirəkləri transformatorları və şəbəkədən kənar-birliklər kimi aşağı yüklü tətbiqlər üçün sabit, səmərəli və yığcam həllər tələb edən regionlar üçün idealdır.
Beynəlxalq standartlara cavab vermək üçün tikilmiş transformator gücləndirilmiş izolyasiya, korroziyaya davamlı konstruksiya və etibarlı soyutma- ilə sərt xarici mühitlər üçün hazırlanmışdır. Onun möhürlənmiş çən dizaynı və keyfiyyət{2}}sınaq edilmiş komponentləri yüksək rütubət və temperatur dəyişkənliyi kimi çətin şərtlərdə təhlükəsizlik və davamlılığı təmin edir.
Latın Amerikasında artan infrastruktur inkişafı və lokallaşdırılmış enerji təchizatına artan tələb ilə bu transformator uzaq və ya az xidmət göstərən ərazilərdə paylayıcı şəbəkələrin genişləndirilməsi və təkmilləşdirilməsi üçün-praktiki, enerjiyə qənaət edən variantdır.

Seksual Tags: transformator işıq dirəyi,istehsalçı,təchizatçı,qiymət,xərc
You Might Also Like
25 kVA Elektrik Dirək Transformatoru-13,8/0,12*0,24 ...
167 kVA Kuper Yastıqlı Transformator-13,8/0,24 kV|Qa...
500 kVA Qütb Transformatoru-4,16/0,6 kV|Kanada 2024
50 kVA Tək Qütblü Transformator-13,8/0,347 kV|Kanada...
75 kVA Elektrik xəttinin transformatoru-13,8/0,24 kV...
75 kVA Dirəkli Transformator-7,97/0,12/0,24 kV|Kanad...
Sorğu göndər








